オーダーカーテン インテリアワークス
HOME問い合わせ購入方法サイトマップ支払方法個人情報会社概要

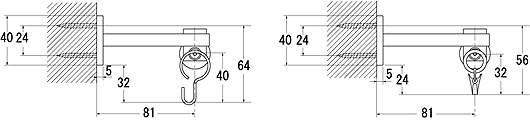
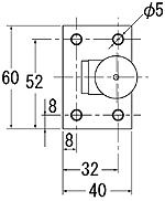
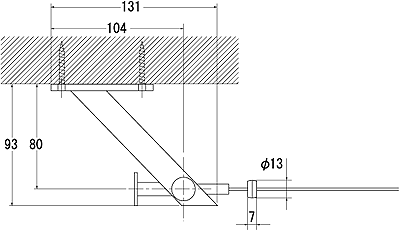
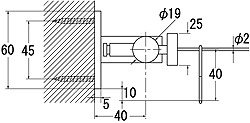
コルーナ


下記のお問い合わせフォームにご記入いただき送信してください




Interior shop WORK's

オーダーカーテン レースカーテンロールスクリーンブラインド カーテンレール タッセル


copyright(c) WORK's 2008 All Rights Reserved.
当サイトにおける全ての画像・文章の無断転載は堅くお断り致します。